GunCAD Index
A search engine for guns
Home
Browse
Discover
Learn
Wiki
Forum
About/FAQ
Join our Lemmy instance
, now the official landing spot of /r/FOSSCAD
449
3
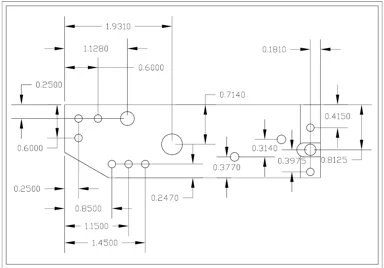
M4 Survival Rifle Technical Data Package
Armament Knowledge Repository
15.4MiB
Released July 23, 2023, 9:15 PM
0.001LBC
0 Reposts
View this release
Odysee
LBRY Desktop
Share
Index Forum
Twitter
5.56x45mm
Rifle
Dev Pack
AR-15
TDP
M4 Survival Rifle Technical Data Package
Need to flag this release for something?
Not GunCAD-related
Copyright or other IP infringement
It's mine and I want it taken down
Malicious content
Misleading content
Other
Report
Related to This Release
11496
11
AR15 DIY Sheet Metal Lower Receiver
The Gatalog's Technical Data Packages
April 24, 2019, 3:23 PM
934.4KiB
Rifle, Dev Pack, AR-15, TDP, Gatalog
The Gatalog presents: AR15 DIY Sheet Metal Lower Receiver Join the community at thegatalog.com
6547
8
Complete M4 Survival Rifle Technical Data Package
The Gatalog's Technical Data Packages
August 10, 2019, 11:46 PM
15.4MiB
Rifle, Dev Pack, AR-15, TDP, Gatalog
The Gatalog presents: (thanks to Kurdistan Weapons Bureau) The complete technical data package for the M4 Survival Rifle (not and M4 Carbine, sadly)…
1363
29
1
Gen 3 Stock V1.8 Dev Pack
Hoffman Tactical
July 31, 2022, 3:07 PM
11.3MiB
Furniture, Stock, Rifle, Dev Pack, AR-15, Accessory
These are the STEP files for the Gen 3 Stock System. These are provided for further development and remixes. If you wish to print the Gen 3 Stock, pl…
1006
15
HK MP5A3 Technical Data Package
Armament Knowledge Repository
July 13, 2023, 8:35 PM
688.0MiB
9x19mm, PCC, H&K, Dev Pack, MP5, TDP
HK MP5A3 Technical Data Package
86
1
M4 Survival Rifle Technical Data Package
hunteroftheyellowdog
February 16, 2025, 1:00 PM
15.4MiB
Rifle, Dev Pack, AR-15, TDP
No description provided for this release