

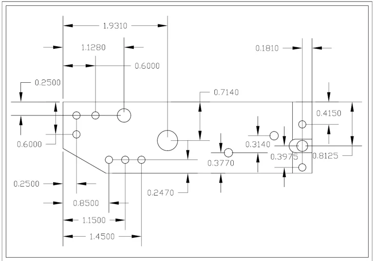
AR15 DIY Sheet Metal Lower Receiver
Join the community at thegatalog.com
Related to This Release


M2 Browning Machinegun Technical Data Package


Complete M4 Survival Rifle Technical Data Package


Sten MKII Blueprint Pack


FN FAL Receiver (Inch Pattern)

